Informationen Privatkunden:
Informationen Geschäftskunden:
Weiteres:
N 23 TA: (N-Norm Buchse für unsere 10,3 mm Koaxialkabel)
Alle Preise inklusiv ges. Mehrwertsteuer zuzüglich Versandkosten. Größere Mengen auf Anfrage.
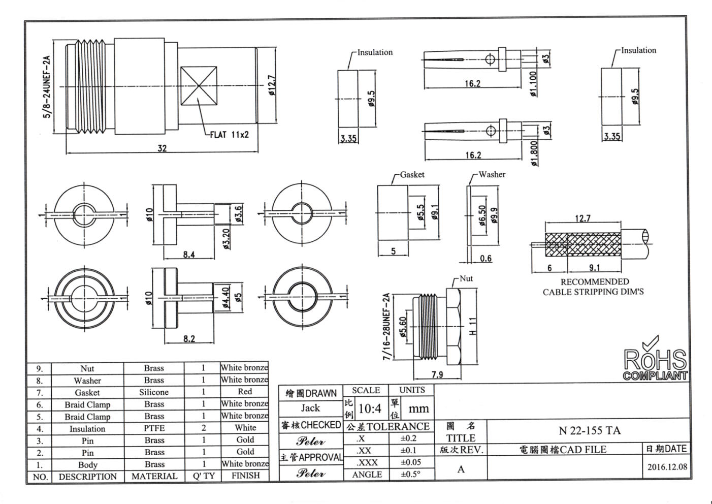
mit nickelfreier TresAlloy®-Oberfläche geeignet für ABOARD, AIRBORNE 10, Aircome Prem., Calorix 10, Ecoflex 10, H 1000, H 2000, H 2010, Heatex 10, Hyperflex 10, LMR 400, Neoflex 10, RG 213, RG 214 u.ä. vergoldeter Mittelstift mit doppelt geschlitzer Massehülse die PTFE-Isolierung ist hoch temperaturbeständig robust und zuverlässig
TG T = PTFE-Dielektrikum G = vergoldeter Mittelkontakt TA = Tres Alloy CuSnZn3 (weiße Bronze) + PTFE-Dielektrikum
Ähnliche Stecker Ähnliche Stecker Montageanleitung H 155 hat andere Dimensionierungen wie RG 58 ähnliche Kabel.  Deshalb verwenden wir 2 doppelt geschlitzte Masseverbindungshülsen  sowie 2 Mittelkontakte mit unterschiedlichen Lochmaßen. Techn. Zeichnung
(+49) 231
25 72 41
Kusch. Ein Team mit Erfahrung.

Bestellen Sie ganz bequem per Telefon,

Email oder nutzen Sie einfach unser

Kontaktformular