@Kabel-Kusch 2023
Informationen Privatkunden: Impressum AGB Datenschutz Widerruf
Informationen Geschäftskunden: Impressum AGB Datenschutz
Weiteres: Wo sind wir Versandkosten
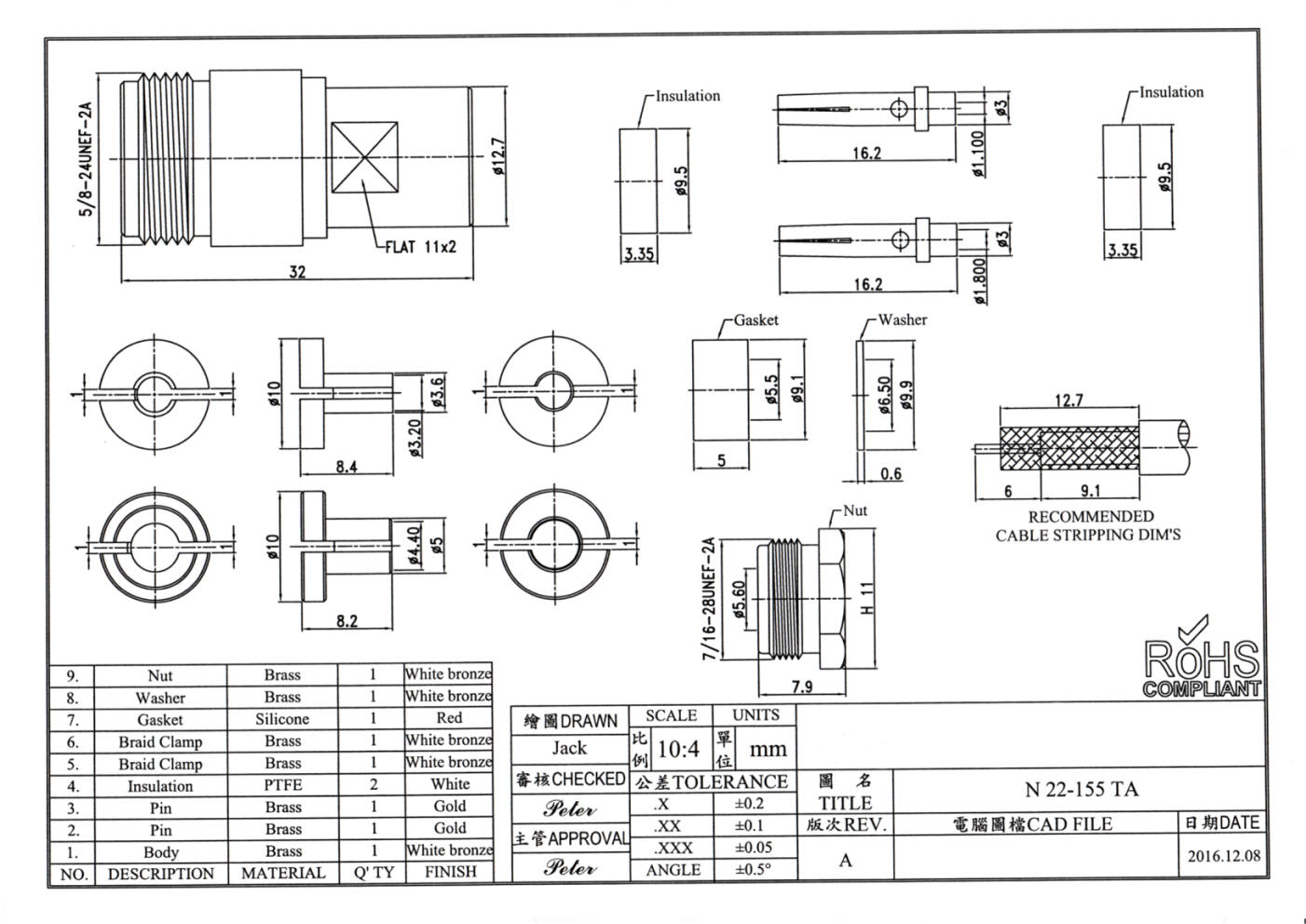
N 22-155 TA: (N-Norm Buchse für unsere 5 mm Koaxialkabel)
mit TresAlloy®-Oberfläche, dadurch besonders Korrossionsbeständig geeignet für RG 58 CU, H 155, Hyperflex 5, Aircell 5, Airborne 5, H 2005,RG 223 U, RG 400 U, RG 142 BU u.ä.)vergoldeter Mittelstift die PTFE-Isolierung ist hoch temperaturbeständig robust und zuverlässig
Ähnliche Stecker Techn. Zeichnung
(+49) 231
25 72 41
Kusch. Ein Team mit Erfahrung.

Bestellen Sie ganz bequem per Telefon,

Email oder nutzen Sie einfach unser

Kontaktformular